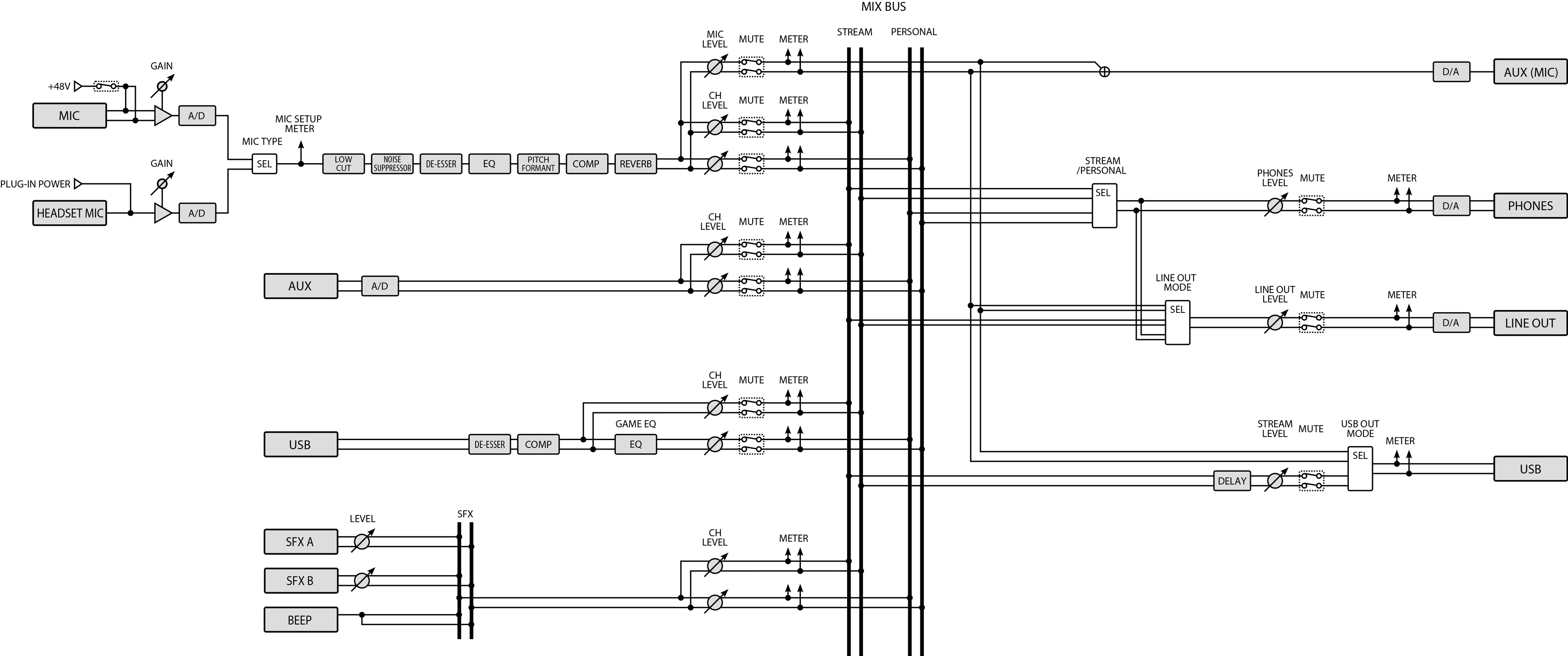
Mixer Block Diagram (CONSOLE/MOBILE)

Expand all
  • Index
  • BRIDGE CAST Owner’s Manual
  • Panel Descriptions (on BRIDGE CAST)
    • Top Panel
    • Rear Panel
  • Installing the Dedicated App and Driver
    • About the BRIDGE CAST App
    • Installing the BRIDGE CAST App and Driver
  • Connecting to Your Computer or External Equipment and Configuring the Settings
    • About the Included USB Cable
    • Connecting to a Computer/External Equipment
    • Configuring the Device Settings on Your Computer
  • Connecting to a Video Game Console, iPad or iPhone
    • Connecting to a Video Game Console
    • Connecting to an iPad/iPhone
  • ■■■ App ■■■
  • Adjusting the Volume (Level Meter Screen)
  • Adjusting the Mic Audio
    • Getting Ready to Use a Mic
    • Calibrating the Mic Sound Quality (Cleanup)
    • Processing the Mic Audio (Mic Effects)
    • Saving the Mic Effect Settings as a Preset
    • Exporting a Mic Effect Preset File
  • Adjusting the Game Sound
    • Using the Equalizer to Adjust the Game Sound
    • Saving the Equalizer Settings as a Preset
    • Exporting an Equalizer Preset File
  • Adjusting the Voice Chat Audio
    • Making the Voice Chat Audio Easier to Hear
  • Output Settings
    • Editing the Output Audio Settings
  • Operating Panel Settings (on the BRIDGE CAST)
    • Configuring How the Operating Panel Works
    • Registering a Sound Effect
  • Configuring a Profile
    • Creating a Profile
    • Exporting a Profile
  • System Settings
    • Backing Up/Restoring the Settings on This Unit
    • Restoring the Factory Settings (Factory Reset)
    • Other Settings
  • ■■■ Appendix ■■■
  • Removing and Attaching the Faceplate of This Unit
  • Main Specifications
  • Mixer Block Diagram (PC)
  • Mixer Block Diagram (CONSOLE/MOBILE)